What Is Reverse Polarity / This may not sound like a terrible thing, but it is.

What Is Reverse Polarity / This may not sound like a terrible thing, but it is.. A lot of 'scaremongering' surrounds the topic of reverse polarity on caravan/motorhome websites based on data that is no longer current. Above we show how easily a wall plug might be plugged into the wrong slots on a gang adapter used to expand the number of devices that can be plugged in at a single location. Is this what they mean when they say there is reverse polarity in a dna molecule. Reverse polarity light tells if the the hot wire is reverse with the neutral wire. Reverse polarity produces great currents because of breakdown of semiconductors.

I have listed them in order of increasing complexity and cost. So in other strand this goes other way round. Or what happens when charging a battery using reverse polarity with a charger? If you have a wet cell battery are filling it for the first time, and are using an old style, non smart. When polarity is reversed the current is going in the wrong direction.

Reversed Polarity Electrical Receptacles Nations Home Inspections Inc
Reversed Polarity Electrical Receptacles Nations Home Inspections Inc from www.nationshomeinspections.com
Polarity reversal can ruin your dowsing. What is reverse polarity in geology? When a major obstacle in a science fiction show is resolved purely through the judicious application of techno babble, the characters have successfully reversed the polarity. I tried to test everything and i suspect that the harness could be damaged but im not sure. Smoke was not a problem. So in other strand this goes other way round. Above we show how easily a wall plug might be plugged into the wrong slots on a gang adapter used to expand the number of devices that can be plugged in at a single location. Before understanding how a reversed polarity receptacle is dangerous, we should understand how a normal outlet works.

What is reverse polarity may 20, 2020 protonsiteadmin reverse polarity.

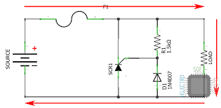
Reverse polarity light tells if the the hot wire is reverse with the neutral wire. What is reverse polarity may 20, 2020 protonsiteadmin reverse polarity. Reverse polarity protection is a method to prevent damage on electronics in the event that the power supply polarity is reversed. When polarity is reversed the current is going in the wrong direction. We know that data is stored magnetically on hard disk drives (see figure 1 ) and that is why degaussing works. What did scientists discover when they analyzed the magnetic bands on the ocean floor? The previous kits work fine. What are reverse polarity or rp coaxial connectors? Now you can ask what happens if we using ac power source, its simple polarity changes every half cycle(50:50). In choosing what is best for your circuit, examine what your voltage and power needs are. As the same word says, if we reverse the polarity of the power supply what happens to our circuit? But the good news is it's relatively easy to fix. The technical brief ac reverse polarity describes why and in what cases reverse polarity indicators are required by abyc in shipboard ac systems.

Reverse the polarity of the magnet. What is reverse polarity may 20, 2020 protonsiteadmin reverse polarity. Now you can ask what happens if we using ac power source, its simple polarity changes every half cycle(50:50). This may not sound like a terrible thing, but it is. Enough the basic, now come to the point i.e.

Help The Polarity Is Reversed On My Battery 12vmonster Lighting
Help The Polarity Is Reversed On My Battery 12vmonster Lighting from cdn.shopify.com
Reverse polarity protection with a schottky diode. If your outlet's polarity is reversed, it means that the neutral wire is connected to where the hot wire is supposed to be. It comes into play when we are using dc power source. What is polarity & reverse polarity in a battery? The term 'polarity' is used to describe the electrical connection of the electrode in relation to the terminal of a power source. There is always electricity flowing out of an outlet with reversed polarity, even if an appliance is. Anything else you want t… read more. What's the brand and model of your product?

By aaron shishilladecember 8, 2020electrical.

Now you can ask what happens if we using ac power source, its simple polarity changes every half cycle(50:50). What are reverse polarity or rp coaxial connectors? Reverse polarity produces great currents because of breakdown of semiconductors. Enough the basic, now come to the point i.e. It is often useful to provide protection against accidental reverse polarity for your circuits. On the other hand, a traditional female connector (standard polarity) consists of an outer body, a ferrule and a receptacle instead of a center pin. We know that data is stored magnetically on hard disk drives (see figure 1 ) and that is why degaussing works. It seems that every futuristic gadget or space ship subsystem performs some miraculous function if only you route the power. Is this what they mean when they say there is reverse polarity in a dna molecule. Checked for reverse polarity ja: Reverse polarity light tells if the the hot wire is reverse with the neutral wire. Your accuracy will be way off and nothing will seem to go right. A lot of 'scaremongering' surrounds the topic of reverse polarity on caravan/motorhome websites based on data that is no longer current.

Now you can ask what happens if we using ac power source, its simple polarity changes every half cycle(50:50). If your outlet's polarity is reversed, it means that the neutral wire is connected to where the hot wire is supposed to be. Reverse the polarity of the magnet. When polarity is reversed the current is going in the wrong direction. Reverse polarity protection with a schottky diode.

What Is Straight And Reverse Polarity In Welding Quora
What Is Straight And Reverse Polarity In Welding Quora from qph.fs.quoracdn.net
What happens when polarity is reversed at a receptacle? Smoke was not a problem. What are reverse polarity or rp coaxial connectors? What is polarity & reverse polarity in a battery? It seems that every futuristic gadget or space ship subsystem performs some miraculous function if only you route the power. Before understanding how a reversed polarity receptacle is dangerous, we should understand how a normal outlet works. By aaron shishilladecember 8, 2020electrical. I tried to test everything and i suspect that the harness could be damaged but im not sure.

Anything else you want t… read more.

It is often useful to provide protection against accidental reverse polarity for your circuits. What is reverse polarity in geology? This technical brief discusses the detailed requirements and workings of the reverse polarity indicator (rpi) itself. When a major obstacle in a science fiction show is resolved purely through the judicious application of techno babble, the characters have successfully reversed the polarity. What are reverse polarity or rp coaxial connectors? Anyway, you guys have any thought to fix this ? What happens to a battery if you recharge it the wrong way around? Reverse polarity light tells if the the hot wire is reverse with the neutral wire. Reversing the polarity on a battery can happen only a couple of ways. So in other strand this goes other way round. Now let's look at another problem that can damage our pcbs. Before understanding how a reversed polarity receptacle is dangerous, we should understand how a normal outlet works. I tried to test everything and i suspect that the harness could be damaged but im not sure.

Posting Komentar

0 Komentar

Ad Code